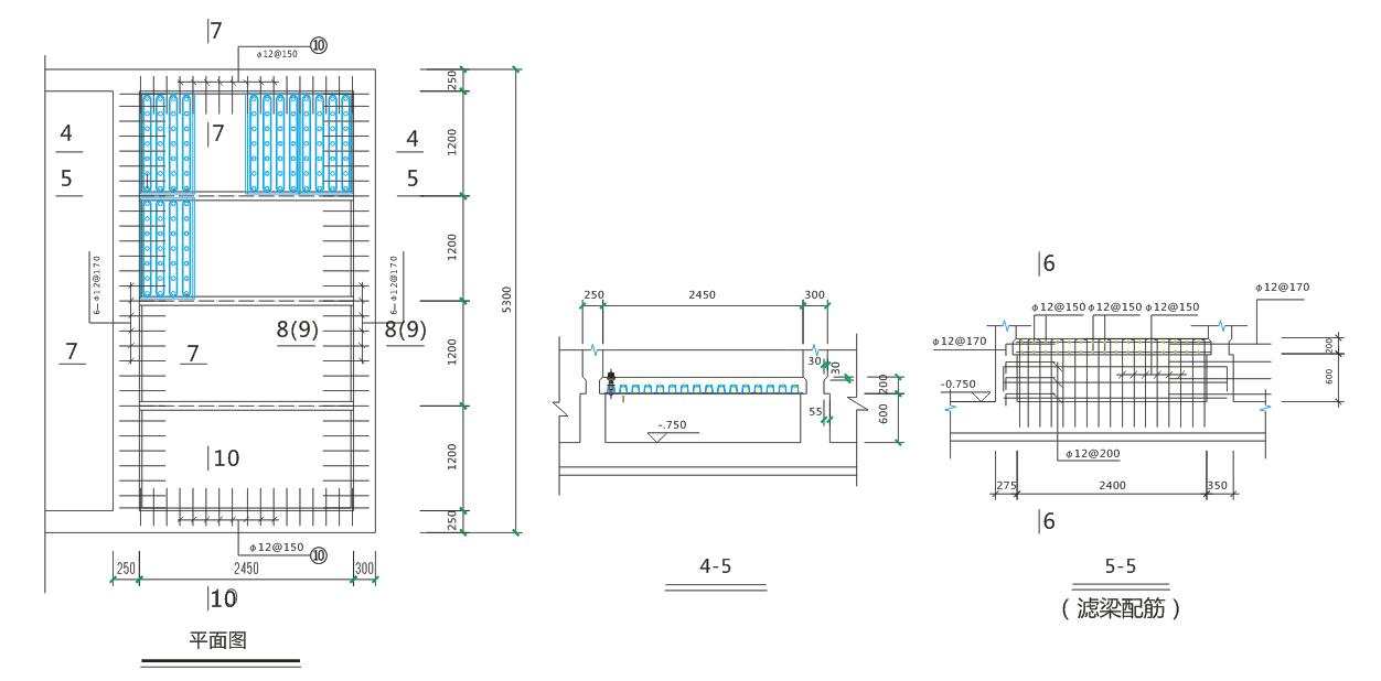
混凝土整浇滤板
    发布时间: 2022-05-12 08:29    

优点:

    混凝土整浇滤板具有无可比拟的优越性。新建或改造滤池时,在现场制模并搭接钢筋骨架,现场捣浇,现场养护。具有施工周期短,浇筑完毕后无外力震动、强度高、无锚固件、无接缝处理,一次投运即终身免维护。如用钢模板形式整浇滤板施工工艺具有浇筑完后钢模可拆卸。运行中无有毒有害残留的浇筑模块部件,不占用有限的配水区高度,参数符合滤池设计规范。由此满足了设计上的通用性也节省了投资。


混凝土整浇滤板

优点:

    混凝土整浇滤板具有无可比拟的优越性。新建或改造滤池时,在现场制模并搭接钢筋骨架,现场捣浇,现场养护。具有施工周期短,浇筑完毕后无外力震动、强度高、无锚固件、无接缝处理,一次投运即终身免维护。如用钢模板形式整浇滤板施工工艺具有浇筑完后钢模可拆卸。运行中无有毒有害残留的浇筑模块部件,不占用有限的配水区高度,参数符合滤池设计规范。由此满足了设计上的通用性也节省了投资。